|
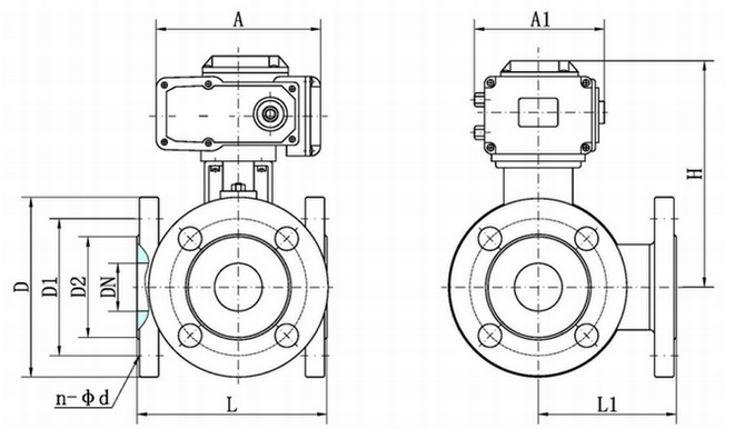
電動三通球閥概述: 電動三通球閥是一種可對三條管路介質進行換向、分流或合流的三通切換型調節球閥,一般有法蘭或內螺紋連接方式,根據不同流向切換要求球芯可設計為L型和T型結構從而實現對管道中流體各種不同組合的控制形式。電動三通球閥不僅能對兩條相互垂直的通道進行切換或截斷,也能關閉任一通道,使另外兩個通道連通,靈活控制管路中介質的合流或分流。選用不同功能的執行裝置,可滿足不同工況的使用要求,廣泛用于電力、環保、供水、蒸汽、機械設備等工業系統中作兩位切斷或比例式調節使用。 電動三通球閥優點: 1,電動三通球閥兼備開關切斷和智能比例式調節功能,不僅可截斷流體, 也可以對壓力,流量及溫度等參數進行調整。 2,可用功能多,既能分配也能換向,適用于液休、氣體、蒸汽等介質的配比調節與控制。 3,可用范圍廣,一閥多用,任一通口可用作入口而無泄漏,三通既可制成L型通口,也可制成T型通口。 4,可分為電動法蘭三通球閥和電動內螺紋三通球閥,滿足不同工況里管道的連接。 電動三通球閥技術參數:
電動三通球閥流向原理說明: 電動三通球閥根據流向切換要求一般分為L型結構和T型結構,介質流通方向可切換為多種形式。 L型電動三通球閥適用于介質流向的切換,能使相互垂直的兩個通道相互連通, T型電動三通球閥適用于介質的分流、合流或流向切換。
T型三通球閥可以使三個通道互相連通或使其中兩個通道連通,起分流或合流作用,電動三通球閥一般采用兩個閥座結構,亦可根據用戶要求采用四閥座結構。 |
||||||||||||||||||||||||||||||||||||||||||||||||
-
可用功能多,既能分配也能換向,適用于液休、氣體、蒸汽等介質的配比調節與控制。
-
軟密封:零泄露;金屬密封:按GB/T4213-92,小于額定KV0.01%
-
可用范圍廣,一閥多用,任一通口可用作入口而無泄漏,三通既可制成L型通口,也可制成T型通口。
-
電動三通球閥分有電動三通L型球閥和電動三通T型球閥兩種
-
廣泛應用于化工,石油,輕紡,電力,食品制藥,制冷,航空,航天,造紙等工業領域
-
根據用戶提供的流量、壓力提供選型規格書及控制方案圖。



